注意:访问本站需要Cookie和JavaScript支持!请设置您的浏览器! 打开购物车 查看留言付款方式联系我们
初中电子 单片机教材一 单片机教材二
搜索上次看见的商品或文章:
商品名、介绍 文章名、内容
首页 电子入门 学单片机 免费资源 下载中心 商品列表 象棋在线 在线绘图 加盟五一 加入收藏 设为首页
本站推荐:
互补管脉冲电路
文章长度[7732] 加入时间[2006/7/1] 更新时间[2026/4/28 2:39:53] 级别[3] [评论] [收藏]

互补管脉冲电路
通常的双管脉冲电路,总是一只管导通,另一只管截止。但是互补管脉冲电路不同,它具有如下特点:
(1)两管同时导通或同时截止。
(2)一端输出波形为陡上升慢下降,另一端输出波形为陡下降慢上升,因此,两端输出通过微分后,就获得一对极性要相反而又十分陡直的尖脉冲。
注意:这种电路引起电源功率波动较大,因为当两管从截止转至导通时,电流从零增至某数值。
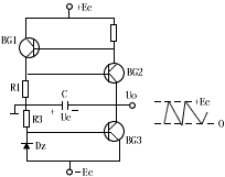
一、互补管双稳态电路
互补管双稳态电路见图1(a)。当接通电源后,若无触发信号作用,由于集极电流极小,Rc1、Rc2的端电压[供电给两管的偏流]也很小,故两管都截止,电路处于一种稳定状态。

图1、互补管双稳态电路
当触发脉冲作用下,设BG1由截止转入放大,并产生下述的雪崩式正反馈过程
很快地使两管饱和导通,处于另一稳定状态,电容C1是加速电容,由图1(b)可见,uc1从Ec陡直地下降至零,而Uc2却从零陡直地上升至Ec。
要使状态回到原来的稳态,必须供给BG1或BG2的基极一个负尖脉冲,正反馈的翻转过程与上述类似,电路图1(C)是单端输出电路,图2是另一类互补双稳电路,它直接从普通的双稳电路转变过来。
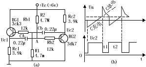
二、互补管多谐振荡电路
互补管多谐振荡电路见图3。该电路仍然由两级集基阻容耦合的倒相器组成,当电路接通电源时,两管不能马上导通,因为CA、CB的充电路径是:Ec→R2→CA→Rc1;CB的充电路径是:Ec→Rc2→CB→R1.当CA和CB充电到一定数值后,UCA、UCB作为两管基极回路的正向偏置电压,使Ib1、Ib2增加,由于正反馈的作用,很快地使BG1、BG2饱和,这是一种暂稳态

图三、互补多谐振荡电路
饱和一开始,CA经Rb2、BG2的发射结构及电阻Rc1放电(CA放完电后,双被Uc1反向对CA充电,这时,UcA为左正右负)而CB通过Rc2、BG1的的发射结及Rb1放电,随着CA、CB放电过程,Ube1不断增加,而Ube2不断减小,直至两管由饱和退至放大状态,从而引起下列“雪崩”式的正反馈:
结果使BG1、BG2截止,接着CA、CB又进行充电,如此重复。就可获得如图3(b)的输出脉冲波,设电路对称,即CA=CB=C,Rb1=Rb2=Rb,R1=R2=R,Rc1=Rc2=Rc脉冲宽度为:
t1=c(Rb+rbe)In{Ec/[Ubes+(Ec/Rb)Rc]}
t2≈0.7Rc
选择晶体管的β应满足Rb<βRc,根据图3(a)电路的参数可算出t1=10毫秒,t2=750毫秒,占空比(t1/t2)=75.
三、其他的互补管脉冲电路
其他的互补管脉冲电路有以下三种。
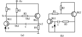
1、互补管单稳态电路
图4示出两种形式的互补管单稳态电路,图4(b)为常态时两管饱和的互补管单稳态电路。当满足条件,R21、R1及R32、R4时电路处于两管饱和的稳态,当负脉冲作用于BG1基极,BG1退出饱和,且引起反应Uc1↑→Ub2↑→Uc2↓→Ub1↓。正反馈连锁反应的结果,使BG1、BG2均截止,此为暂稳态。此时C通过R2、R4及电源放电,放电完后又进入两管饱和的稳定状态。二极管D是防止C的电压击穿BG1的基-射结,脉冲宽度为:
tr=0.7(R2+R4)C
图4(b)为常态时两管截止的互补单稳态电路

图4、互补管单稳态电路
2、互补管施密特触发器
图5为互补管施密特触发器,本电路是依靠直流电位触发的施密特电路,在工作过程中。两管同时饱和或同时截止。
当ui处于低电平时,由ui和-Eb所引起的ub1为负值,BG1截止,又因R3无电源,所以BG2也截止,处于一种稳定状态。
当ui上升到高电平时,ub1达到BG1的导通阀电压,BG1开始导通,经过BG1、BG2的连锁正反馈作用。最后使BG1、BG2同时导通,这是另一种稳定状态。
R5与电路因差的大小有关,R5越大,回差就越小。

图5、互补管施密特触发器

图6、互补管的锯齿波电路
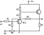
3、互补管的锯齿波电路
图6为互补管的锯齿波电路,这是自激式互补的锯齿波电路,其中由BG1、BG2组成开关器,以控制定时电容C的充放电,BG3为恒流管。
当BG1、BG2均截时,恒流Ic3对C充电(极性如图6所示)输出电压uo随时间线性下降,这是扫描电压的正程,当电容电压Uc下降到BG2的导通阀电压时,BG2开始导通,BG1、BG2经过正反馈连锁反应时到达了饱和状态,此时C经过BG1、BG2一直停留在饱和状态而不返回到截止状态。

1、 本站不保证以上观点正确,就算是本站原创作品,本站也不保证内容正确。
2、如果您拥有本文版权,并且不想在本站转载,请书面通知本站立即删除并且向您公开道歉! 以上可能是本站收集或者转载的文章,本站可能没有文章中的元件或产品,如果您需要类似的商品请 点这里查看商品列表!
本站协议 | 版权信息 |  关于我们 |  本站地图 |  营业执照 |  发票说明 |  付款方式 |  联系方式
深圳市宝安区西乡五壹电子商行——粤ICP备16073394号-1;地址:深圳西乡河西四坊183号;邮编:518102
E-mail:51dz$163.com($改为@);Tel:(0755)27947428
工作时间:9:30-12:00和13:30-17:30和18:30-20:30,无人接听时可以再打手机13537585389