注意:访问本站需要Cookie和JavaScript支持!请设置您的浏览器! 打开购物车 查看留言付款方式联系我们
初中电子 单片机教材一 单片机教材二
搜索上次看见的商品或文章:
商品名、介绍 文章名、内容
首页 电子入门 学单片机 免费资源 下载中心 商品列表 象棋在线 在线绘图 加盟五一 加入收藏 设为首页
本站推荐:
简单的FM调频发射制作实验
文章长度[] 加入时间[2007/9/14] 更新时间[2026/3/12 22:38:17] 级别[0] [评论] [收藏]


 

  目前,适合自己动手制作的发射实验当数无线话筒等调频器材,虽然各种报刊上这类文章较多,但是报刊缺乏交互式手段,爱好者制作过程中遇到问题很不方便与作者、其他读者进行交流。再者,报刊编辑部选登的制作文章不一定都能经过验证,因此,有些作者构想出来的制作给初学者带来困难。

  这是一个比较简单的实用型制作,本文打算从简到繁一步步深入,你若是愿意同步动手实验,不久你将能够制作适合正式场合使用的调频发射机。当然,实验还是从最简单的做起,下图是一个最简单的振荡器,它是调频发射的基础。

                 

  图中的线圈用1.0mm的漆包线在3.2mm的钻头上绕6-8圈,可覆盖88-108MHz,7圈时在100MHz附近。按上图连接好,其实就已经是一个简单的发射机了,通电即可发射,不过发射的是未经调制的等幅信号,附近的调频收音机接收到信号只会出现静音。像下图那样加上调制信号,就可进入实用状态了。

          

  这时,假如你将随身听,影碟机等输出的音源信号连接上图发射机的音频输入端,在附近就可以用收音机来收听了。上图虽能发射,却不实用,其一是发射能量很小,只能在室内使用,在室外开阔地也不过几十米。其二是频率不稳,由于天线只是一段导线,通过100P电容与振荡回路相连,因此天线周围的环境均会影响发射频率。若想使其达到能用的程度,应在其后再加两极放大,见下图。

            

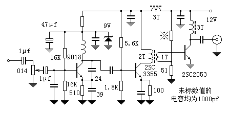
  这是应网友的要求搭出的一个功放电路,输出功率令人满意,但是也存在很多问题,将在下文详述。振荡器与功放连在一起,就成了一个完整的调频发射机,见下图。

  

  图中的发射机很容易制作成功,这里所说的成功是插上天线接通电源即可进入工作状态,若是希望发射机进入最佳工作状态还需要做一些调试。其实,爱好者做实验最大的乐趣就是通过自己动手调试使作品更趋完善,获得最佳性能。

  首先,这种输出电路工作于非甲类状态,对负载阻抗有更严格的要求,通常发射机多为50Ω输出,爱好者实验不一定容易找50Ω的射频电缆,而75Ω的射频电缆到处都能买到,况且75Ω的天线也容易制作,故此机采用75Ω输出,通电之前应在输出端接一个75Ω的电阻,调试完成以后再接75Ω的天线。本机最大输出1W以上,不要用那种1/8W的小电阻,接上就烧。烧个电阻倒没什么,可是电阻一烧放大器便相当于空载,管子就危险了。

  通电以后所需要调试的最主要内容是发射管的工作点,工作点不同输出的谐波成分大大不同。

  本机振荡级选择的晶体管工作点使其具有较大动态,实测二次谐波比基波低二十多分贝,三次四次更低,完全可以忽略不计。推动级工作于接近甲类的甲乙类状态,也不会产生大能量的谐波。关键在输出级。

  输出级工作点的选择比较麻烦,上偏置电阻与下偏置51Ω电阻形成的分压应低于发射管的发射结电压,使其工作于乙类和丙类状态之间。选用1KΩ时接近乙类状态,此时发射管工作电流260mA,输出功率700mW,二次谐波比主波低10dB左右,三次四次更低,输出的主频能量在500mW以上。

  随着上偏置电阻的加大,发射管的工作状态将靠近丙类,功率计的指示倒是逐渐增大,最大时高达1300mW,但此时的各此谐波也逐渐加强,主波功率反而降低。在专业制造时,这一矛盾并不难解决,不过这一电路是为初学者制作设计的简单型,只好放弃电源效率指标,建议上偏置电阻使用1KΩ。

  实验中2SC2053严重发热,虽然实验过程中并未损坏,估计长期使用肯定不行,建议制作时换用2SC1970或用两个2SC2053并联使用。并联时要注意采取均流措施。

 

  假如你只是希望品尝一下动手制作的乐趣,并不一定需要这么大的输出功率,也不需要发射多远,这时可将电路参数作些改动,电路结构不变,用6V电源,输出功率也在100mW以上,见下图。

      

  与上图的电路结构完全相同,只是改了几个元件的数值,晶体管也做了调整。由于输出功率较小,用3355做输出也不用考虑输出管的安全问题,可以长期稳定地工作。

  

1、 本站不保证以上观点正确,就算是本站原创作品,本站也不保证内容正确。
2、如果您拥有本文版权,并且不想在本站转载,请书面通知本站立即删除并且向您公开道歉! 以上可能是本站收集或者转载的文章,本站可能没有文章中的元件或产品,如果您需要类似的商品请 点这里查看商品列表!
本站协议 | 版权信息 |  关于我们 |  本站地图 |  营业执照 |  发票说明 |  付款方式 |  联系方式
深圳市宝安区西乡五壹电子商行——粤ICP备16073394号-1;地址:深圳西乡河西四坊183号;邮编:518102
E-mail:51dz$163.com($改为@);Tel:(0755)27947428
工作时间:9:30-12:00和13:30-17:30和18:30-20:30,无人接听时可以再打手机13537585389