| 注意:访问本站需要Cookie和JavaScript支持!请设置您的浏览器! • 打开购物车 • 查看留言 • 付款方式 • 联系我们 |
![]() |
| 首页 | 电子入门 | 学单片机 | 免费资源 | 下载中心 | 商品列表 | 象棋在线 | 在线绘图 | 加盟五一 | 加入收藏 | 设为首页 |
| 选择分类:当前分类——学单片机 相关联或者相类似的文章: 证券公司如此欺诈千万股民!!(563) qqqqqqqqqqqqqqqqqqqqqqq(563) 观察法(562) 马克.吐温笑话选编(562) 欢迎爱好电子的朋友——试用(562) “有钱人”用钱去骗有钱人(562) 关于电子管功放的几个误区(562) 限幅与箝位电路(561) 可控硅的特性及检测[转帖](560) 五年的变化真大——五一电子的订单增了几十倍(560) VB开发Windows环境下的串行通信程序(560) 30. 四位数数字温度计(560) 检查大功率双向晶闸管触发能力的方法 (559) 冷热法(558) LM386 低电压音频功率放大器(558) 学习电子技术从哪里入手最好(557) 基于DS1620和AT89C2051的数字温度计(557) ISD4004系列单片语音录放电路(557) ;实时时钟DS1302(汇编)(556) 锁相环CD4046应用介绍(556) 首页 前页 后页 尾页 本站推荐: | 30. 四位数数字温度计 1. 温度传感器AD590基本知识
AD590产生的电流与绝对温度成正比,它可接收的工作电压为4V-30V,检测的温度范围为-55℃-+150℃,它有非常好的线性输出性能,温度每增加1℃,其电流增加1uA。
AD590温度与电流的关系如下表所示
AD590引脚图
2. 实验任务
利用AD590温度传感器完成温度的测量,把转换的温度值的模拟量送入ADC0809的其中一个通道进行A/D转换,将转换的结果进行温度值变换之后送入数码管显示。
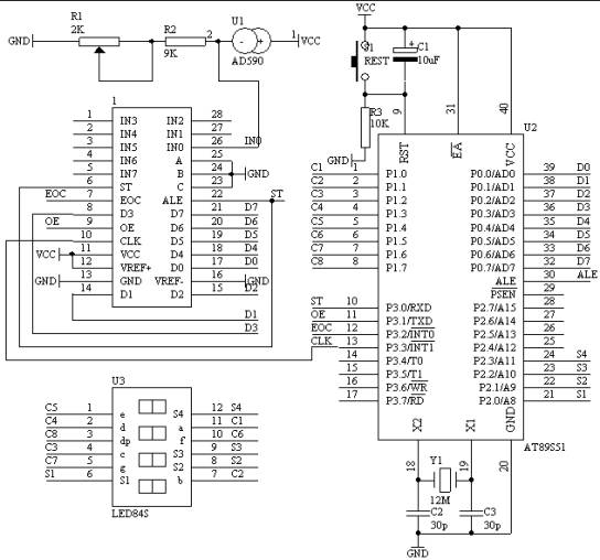
3. 电路原理图
![]() 图4.30.1
4. 系统板上硬件连线
(1). 把“单片机系统”区域中的P1.0-P1.7与“动态数码显示”区域中的ABCDEFGH端口用8芯排线连接。
(2). 把“单片机系统”区域中的P2.0-P2.7与“动态数码显示”区域中的S1S2S3S4S5S6S7S8端口用8芯排线连接。
(3). 把“单片机系统”区域中的P3.0与“模数转换模块”区域中的ST端子用导线相连接。
(4). 把“单片机系统”区域中的P3.1与“模数转换模块”区域中的OE端子用导线相连接。
(5). 把“单片机系统”区域中的P3.2与“模数转换模块”区域中的EOC端子用导线相连接。
(6). 把“单片机系统”区域中的P3.3与“模数转换模块”区域中的CLK端子用导线相连接。
(7). 把“模数转换模块”区域中的A2A1A0端子用导线连接到“电源模块”区域中的GND端子上。
(8). 把“模数转换模块”区域中的IN0端子用导线连接到自制的AD590电路上。
(9). 把“单片机系统”区域中的P0.0-P0.7用8芯排线连接到“模数转换模块”区域中的D0D1D2D3D4D5D6D7端子上。
5. 程序设计内容
(1). ADC0809的CLK信号由单片机的P3.3管脚提供
(2). 由于AD590的温度变化范围在-55℃-+150℃之间,经过10KΩ之后采样到的电压变化在2.182V-4.232V之间,不超过5V电压所表示的范围,因此参考电压取电源电压VCC,(实测VCC=4.70V)。由此可计算出经过A/D转换之后的摄氏温度显示的数据为:
如果(D*2350/128)<2732,则显示的温度值为-(2732-(D*2350/128))
如果(D*2350/128)≥2732,则显示的温度值为+((D*2350/128)-2732)
6. 汇编源程序
(略)
7.C语言源程序
#include <AT89X52.H>
#include <ctype.h>
unsigned char code dispbitcode[]={0xfe,0xfd,0xfb,0xf7,
0xef,0xdf,0xbf,0x7f};
unsigned char code dispcode[]={0x3f,0x06,0x5b,0x4f,0x66,
0x6d,0x7d,0x07,0x7f,0x6f,0x00,0x40};
unsigned char dispbuf[8]={10,10,10,10,10,10,0,0};
unsigned char dispcount;
unsigned char getdata;
unsigned long temp;
unsigned char i;
bit sflag;
sbit ST=P3^0;
sbit OE=P3^1;
sbit EOC=P3^2;
sbit CLK=P3^3;
sbit LED1=P3^6;
sbit LED2=P3^7;
sbit SPK=P3^5;
void main(void)
{
ST=0;
OE=0;
TMOD=0x12;
TH0=0x216;
TL0=0x216;
TH1=(65536-4000)/256;
TL1=(65536-4000)%256;
TR1=1;
TR0=1;
ET0=1;
ET1=1;
EA=1;
ST=1;
ST=0;
getdata=148;
while(1)
{
;
}
}
void t0(void) interrupt 1 using 0
{
CLK=~CLK;
}
void t1(void) interrupt 3 using 0
{
TH1=(65536-4000)/256;
TL1=(65536-4000)%256;
if(EOC==1)
{
OE=1;
getdata=P0;
OE=0;
temp=(getdata*2350);
temp=temp/128;
if(temp<2732)
{
temp=2732-temp;
sflag=1;
}
else
{
temp=temp-2732;
sflag=0;
}
i=3;
dispbuf[0]=10;
dispbuf[1]=10;
dispbuf[2]=10;
if(sflag==1)
{
dispbuf[7]=11;
}
else
{
dispbuf[7]=10;
}
dispbuf[3]=0;
dispbuf[4]=0;
dispbuf[5]=0;
dispbuf[6]=0;
while(temp/10)
{
dispbuf[i]=temp%10;
temp=temp/10;
i++;
}
dispbuf[i]=temp;
ST=1;
ST=0;
}
P1=dispcode[dispbuf[dispcount]];
P2=dispbitcode[dispcount];
dispcount++;
if(dispcount==8)
{
dispcount=0;
}
} 1、 本站不保证以上观点正确,就算是本站原创作品,本站也不保证内容正确。 2、如果您拥有本文版权,并且不想在本站转载,请书面通知本站立即删除并且向您公开道歉! |
|
本站协议 |
版权信息 |
关于我们 |
本站地图 |
营业执照 |
发票说明 |
付款方式 |
联系方式
深圳市宝安区西乡五壹电子商行——粤ICP备16073394号-1;地址:深圳西乡河西四坊183号;邮编:518102 E-mail:51dz$163.com($改为@);Tel:(0755)27947428 工作时间:9:30-12:00和13:30-17:30和18:30-20:30,无人接听时可以再打手机13537585389 |