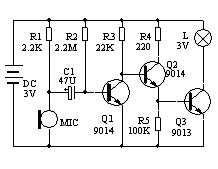
该声控实验板使用电池供电,实验过程安全,适合初学者和学生安装.平时小灯泡熄灭.当周围环境有一定强度的声音信号,小灯泡点亮,经过一段时间的延时后,小灯泡熄灭。 电路原理:
 R1为话筒MIC的偏置电阻,R2、R3使Q1处于临界截止状态,当话筒MIC接收到音频信号后,通过C1耦合给Q1基极,在音频信号的正半周加深Q1的导通,Q1还是导通,同时把Q2的基极电位拉低,Q2截止,对电路没有多大影响;在音频信号的负半周使Q1反偏压截止,Q2导通,Q3也导通,小灯炮点亮。由于电容C1充放电需要一个过程,所以小灯炮点亮后会延时一段时间。调整C1的大小可以改变点亮后延时熄灭的时间,容量小延时时间短,容量大,延时时间长,可以在1微法到几百微法选取。改变R2阻值的大小可以改变Q1临界截止度,也就是改变灵敏度,阻值大,灵敏度高。
爸爸妈妈在带小孩的时候,常常要半夜起床给婴儿换尿布。如果开着灯睡觉,既浪费电能又影响睡眠;关灯以后,半夜又要摸黑起来开灯,如果碰上停电则更是不方便。 婴儿声控小夜灯使用电池供电,小灯炮照明,这样一不会受停电影响,二不会因为太亮影响或者刺激到婴儿。由于每天夜里工作的时间不是很长,因此一对电池可以用好几个星期甚至几个月。将元件按图插好,接好电源,对着话筒说话,灯泡一般都会亮。
本套件包含印刷电路板,原理图,元件清单,元件,外壳、螺丝,电池弹簧片、导线、制作步骤说明。欢迎大家制作选购。
查看和发表评论 管理员一般会在8-48小时内回复,会删除无意义的留言以及重复留言,请保证留言标题清晰,内容明确! 1、评论不代表本站观点。 另外,即使是本站原创作品,本站也不保证内容绝对正确。 2、如果您拥有本文版权,并且不想在此处发表,请书面通知本站立即删除并且向您公开道歉! |