电路板光板,电路不是很稳定,易受干扰。电子爱好者可以试着去修改是其变得稳定。(板上高压,在通电后不可以碰到电路板及上任何元件!)
采用家中普通的电视机、VCD、DVD的遥控器,对准该开关按下任意键,开关既从关变为开,再按下任意键,则又从开变为关。。。每按一次则电路改变一次状态。接收电路部分采用一体化接收头,电路简单,遥控距离远,约10米左右。
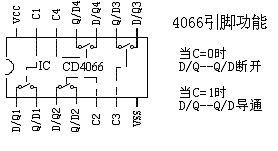
电路原理: 220V的交流市电经C1、R1降压,D1-D4整流得到12V左右的直流电,经C2滤波R2限流后再经VD稳压,C3滤波后得到稳定的5.6V直流电给红外线接收头和控制级供电。IR为红外线接收头,内部集成了红外线接收、放大、解调电路,当接收到遥控信号时,输出端输出低电平.主要控制电路由四双向模拟开关IC4066组成,功能引脚如下:
刚通电时,开关状态是随机的(有可能是开,有可能是关)假如8脚输出低电平,三极管Q1截止,继电器放开,用电器为关闭状态,当接收到红外线信号后,接收头输出端把IC 4066的13脚电位拉低→1脚和2脚断开→D6由于R4的作用导通→5脚从低电平变为高电平→3脚和4脚导通,由于3脚原来为低电平→4脚、6脚也变为低电平→8脚和9脚断开→8脚变为高电平,三极管Q1导通,继电器吸合。8脚为高电平12脚也变为高电平,10脚和11脚导通;当再次按下遥控,接收头输出端把IC 4066的13脚电位拉低→1脚和2脚断开→D6由于R4的作用导通→5脚从低电平变为高电平→3脚和4脚导通,由于3脚变成了高电平,后面的状态和上一次相反,也就是→4脚、6脚也变为高电平→8脚和9脚导通→8脚变为低电平,三极管Q1截止,继电器放开。再按一次则又翻转一次。。。达到开关的目的。C5和C6的作用是使电路在一定时间内只翻转一次。

电路图:

元件清单:
元器件及位号对照表 位号 名称 型号及规格 数量 R1 电阻1/4W±5% 470K 1 R2 220 1 R3 47 1 R4 电阻1/8W±5% 10K 1 R5、R6 2.2K 2 R7、R8 22K 2 R9、R10 1M 2 R11 4.7K 1 C1 4 00V CBB 224-684 1 C2、C3、C4 电解电容 220U16V 3 C5、C6 瓷片电容 104 2 D1、D2、D3、D4、D5 二极管 1N4007 5 D6 1N4148 1 VD 稳压二极管 5.6V 1 Q1 三极管 9014 1 IR 红外线接收头 TFM 5380 1 J 12V继电器 JZC-23F(4123) 1 电路板 1
装好的成品如下图所示:

查看和发表评论 管理员一般会在8-48小时内回复,会删除无意义的留言以及重复留言,请保证留言标题清晰,内容明确! 1、评论不代表本站观点。 另外,即使是本站原创作品,本站也不保证内容绝对正确。 2、如果您拥有本文版权,并且不想在此处发表,请书面通知本站立即删除并且向您公开道歉! |