22. 电子琴
1. 实验任务
(1. 由4X4组成16个按钮矩阵,设计成16个音。
(2. 可随意弹奏想要表达的音乐。
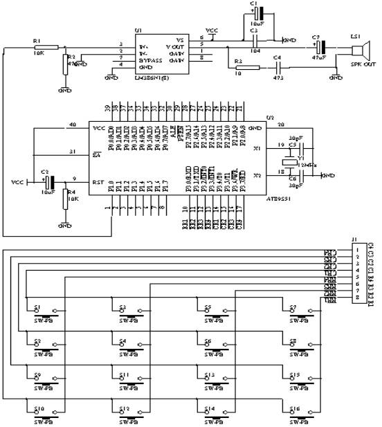
2. 电路原理图
图4.22.1
3. 系统板硬件连线
(1. 把“单片机系统”区域中的P1.0端口用导线连接到“音频放大模块”区域中的SPK IN端口上;
(2. 把“单片机系统“区域中的P3.0-P3.7端口用8芯排线连接到“4X4行列式键盘”区域中的C1-C4 R1-R4端口上;
4. 相关程序内容
(1. 4X4行列式键盘识别;
(2. 音乐产生的方法;
一首音乐是许多不同的音阶组成的,而每个音阶对应着不同的频率,这样我们就可以利用不同的频率的组合,即可构成我们所想要的音乐了,当然对于单片机来产生不同的频率非常方便,我们可以利用单片机的定时/计数器T0来产生这样方波频率信号,因此,我们只要把一首歌曲的音阶对应频率关系弄正确即可。现在以单片机12MHZ晶振为例,例出高中低音符与单片机计数T0相关的计数值如下表所示
|
音符 |
频率(HZ) |
简谱码(T值) |
音符 |
频率(HZ) |
简谱码(T值) |
|
|
低1 DO |
262 |
63628 |
# 4 FA# |
740 |
64860 |
|
|
#1 DO# |
277 |
63731 |
中 5 SO |
784 |
64898 |
|
|
低2 RE |
294 |
63835 |
# 5 SO# |
831 |
64934 |
|
|
#2 RE# |
311 |
63928 |
中 6 LA |
880 |
64968 |
|
|
低 3 M |
330 |
64021 |
# 6 |
932 |
64994 |
|
|
低 4 FA |
349 |
64103 |
中 7 SI |
988 |
65030 |
|
|
# 4 FA# |
370 |
64185 |
高 1 DO |
1046 |
65058 |
|
|
低 5 SO |
392 |
64260 |
# 1 DO# |
1109 |
65085 |
|
|
# 5 SO# |
415 |
64331 |
高 2 RE |
1175 |
65110 |
|
|
低 6 LA |
440 |
64400 |
# 2 RE# |
1245 |
65134 |
|
|
# 6 |
466 |
64463 |
高 3 M |
1318 |
65157 |
|
|
低 7 SI |
494 |
64524 |
高 4 FA |
1397 |
65178 |
|
|
中 1 DO |
523 |
64580 |
# 4 FA# |
1480 |
65198 |
|
|
# 1 DO# |
554 |
64633 |
高 5 SO |
1568 |
65217 |
|
|
中 2 RE |
587 |
64684 |
# 5 SO# |
1661 |
65235 |
|
|
# 2 RE# |
622 |
64732 |
高 6 LA |
1760 |
65252 |
|
|
中 3 M |
659 |
64777 |
# 6 |
1865 |
65268 |
|
|
中 4 FA |
698 |
64820 |
高 7 SI |
1967 |
65283 |
下面我们要为这个音符建立一个表格,有助于单片机通过查表的方式来获得相应的数据
低音0-19之间,中音在20-39之间,高音在40-59之间
TABLE: DW 0,63628,63835,64021,64103,64260,64400,64524,0,0
DW 0,63731,63928,0,64185,64331,64463,0,0,0
DW 0,64580,64684,64777,64820,64898,64968,65030,0,0
DW 0,64633,64732,0,64860,64934,64994,0,0,0
DW 0,65058,65110,65157,65178,65217,65252,65283,0,0
DW 0,65085,65134,0,65198,65235,65268,0,0,0
DW 0
2、音乐的音拍,一个节拍为单位(C调)
|
曲调值 |
DELAY |
曲调值 |
DELAY |
|
|
调4/4 |
125ms |
调4/4 |
62ms |
|
|
调3/4 |
187ms |
调3/4 |
94ms |
|
|
调2/4 |
250ms |
调2/4 |
125ms |
对于不同的曲调我们也可以用单片机的另外一个定时/计数器来完成。
下面就用AT89S51单片机产生一首“生日快乐”歌曲来说明单片机如何产生的。
在这个程序中用到了两个定时/计数器来完成的。其中T0用来产生音符频率,T1用来产生音拍。
5. 程序框图
图4.22.2
6. 汇编源程序
KEYBUF EQU 30H
STH0 EQU 31H
STL0 EQU 32H
TEMP EQU 33H
ORG 00H
LJMP START
ORG 0BH
LJMP INT_T0
START: MOV TMOD,#01H
SETB ET0
SETB EA
WAIT:
MOV P3,#0FFH
CLR P3.4
MOV A,P3
ANL A,#0FH
XRL A,#0FH
JZ NOKEY1
LCALL DELY10MS
MOV A,P3
ANL A,#0FH
XRL A,#0FH
JZ NOKEY1
MOV A,P3
ANL A,#0FH
CJNE A,#0EH,NK1
MOV KEYBUF,#0
LJMP DK1
NK1: CJNE A,#0DH,NK2
MOV KEYBUF,#1
LJMP DK1
NK2: CJNE A,#0BH,NK3
MOV KEYBUF,#2
LJMP DK1
NK3: CJNE A,#07H,NK4
MOV KEYBUF,#3
LJMP DK1
NK4: NOP
DK1:
MOV A,KEYBUF
MOV DPTR,#TABLE
MOVC A,@A+DPTR
MOV P0,A
MOV A,KEYBUF
MOV B,#2
MUL AB
MOV TEMP,A
MOV DPTR,#TABLE1
MOVC A,@A+DPTR
MOV STH0,A
MOV TH0,A
INC TEMP
MOV A,TEMP
MOVC A,@A+DPTR
MOV STL0,A
MOV TL0,A
SETB TR0
DK1A: MOV A,P3
ANL A,#0FH
XRL A,#0FH
JNZ DK1A
CLR TR0
NOKEY1:
MOV P3,#0FFH
CLR P3.5
MOV A,P3
ANL A,#0FH
XRL A,#0FH
JZ NOKEY2
LCALL DELY10MS
MOV A,P3
ANL A,#0FH
XRL A,#0FH
JZ NOKEY2
MOV A,P3
ANL A,#0FH
CJNE A,#0EH,NK5
MOV KEYBUF,#4
LJMP DK2
NK5: CJNE A,#0DH,NK6
MOV KEYBUF,#5
LJMP DK2
NK6: CJNE A,#0BH,NK7
MOV KEYBUF,#6
LJMP DK2
NK7: CJNE A,#07H,NK8
MOV KEYBUF,#7
LJMP DK2
NK8: NOP
DK2:
MOV A,KEYBUF
MOV DPTR,#TABLE
MOVC A,@A+DPTR
MOV P0,A
MOV A,KEYBUF
MOV B,#2
MUL AB
MOV TEMP,A
MOV DPTR,#TABLE1
MOVC A,@A+DPTR
MOV STH0,A
MOV TH0,A
INC TEMP
MOV A,TEMP
MOVC A,@A+DPTR
MOV STL0,A
MOV TL0,A
SETB TR0
DK2A: MOV A,P3
ANL A,#0FH
XRL A,#0FH
JNZ DK2A
CLR TR0
NOKEY2:
MOV P3,#0FFH
CLR P3.6
MOV A,P3
ANL A,#0FH
XRL A,#0FH
JZ NOKEY3
LCALL DELY10MS
MOV A,P3
ANL A,#0FH
XRL A,#0FH
JZ NOKEY3
MOV A,P3
ANL A,#0FH
CJNE A,#0EH,NK9
MOV KEYBUF,#8
LJMP DK3
NK9: CJNE A,#0DH,NK10
MOV KEYBUF,#9
LJMP DK3
NK10: CJNE A,#0BH,NK11
MOV KEYBUF,#10
LJMP DK3
NK11: CJNE A,#07H,NK12
MOV KEYBUF,#11
LJMP DK3
NK12: NOP
DK3:
MOV A,KEYBUF
MOV DPTR,#TABLE
MOVC A,@A+DPTR
MOV P0,A
MOV A,KEYBUF
MOV B,#2
MUL AB
MOV TEMP,A
MOV DPTR,#TABLE1
MOVC A,@A+DPTR
MOV STH0,A
MOV TH0,A
INC TEMP
MOV A,TEMP
MOVC A,@A+DPTR
MOV STL0,A
MOV TL0,A
SETB TR0
DK3A: MOV A,P3
ANL A,#0FH
XRL A,#0FH
JNZ DK3A
CLR TR0
NOKEY3:
MOV P3,#0FFH
CLR P3.7
MOV A,P3
ANL A,#0FH
XRL A,#0FH
JZ NOKEY4
LCALL DELY10MS
MOV A,P3
ANL A,#0FH
XRL A,#0FH
JZ NOKEY4
MOV A,P3
ANL A,#0FH
CJNE A,#0EH,NK13
MOV KEYBUF,#12
LJMP DK4
NK13: CJNE A,#0DH,NK14
MOV KEYBUF,#13
LJMP DK4
NK14: CJNE A,#0BH,NK15
MOV KEYBUF,#14
LJMP DK4
NK15: CJNE A,#07H,NK16
MOV KEYBUF,#15
LJMP DK4
NK16: NOP
DK4:
MOV A,KEYBUF
MOV DPTR,#TABLE
MOVC A,@A+DPTR
MOV P0,A
MOV A,KEYBUF
MOV B,#2
MUL AB
MOV TEMP,A
MOV DPTR,#TABLE1
MOVC A,@A+DPTR
MOV STH0,A
MOV TH0,A
INC TEMP
MOV A,TEMP
MOVC A,@A+DPTR
MOV STL0,A
MOV TL0,A
SETB TR0
DK4A: MOV A,P3
ANL A,#0FH
XRL A,#0FH
JNZ DK4A
CLR TR0
NOKEY4:
LJMP WAIT
DELY10MS:
MOV R6,#10
D1: MOV R7,#248
DJNZ R7,$
DJNZ R6,D1
RET
INT_T0:
MOV TH0,STH0
MOV TL0,STL0
CPL P1.0
RETI
TABLE: DB 3FH,06H,5BH,4FH,66H,6DH,7DH,07H
DB 7FH,6FH,77H,7CH,39H,5EH,79H,71H
TABLE1: DW 64021,64103,64260,64400
DW 64524,64580,64684,64777
DW 64820,64898,64968,65030
DW 65058,65110,65157,65178
END
7. C语言源程序
#include <AT89X51.H>
unsigned char code table[]={0x3f,0x06,0x5b,0x4f,
0x66,0x6d,0x7d,0x07,
0x7f,0x6f,0x77,0x7c,
0x39,0x5e,0x79,0x71};
unsigned char temp;
unsigned char key;
unsigned char i,j;
unsigned char STH0;
unsigned char STL0;
unsigned int code tab[]={64021,64103,64260,64400,
64524,64580,64684,64777,
64820,64898,64968,65030,
65058,65110,65157,65178};
void main(void)
{
TMOD=0x01;
ET0=1;
EA=1;
while(1)
{
P3=0xff;
P3_4=0;
temp=P3;
temp=temp & 0x0f;
if (temp!=0x0f)
{
for(i=50;i>0;i--)
for(j=200;j>0;j--);
temp=P3;
temp=temp & 0x0f;
if (temp!=0x0f)
{
temp=P3;
temp=temp & 0x0f;
switch(temp)
{
case 0x0e:
key=0;
break;
case 0x0d:
key=1;
break;
case 0x0b:
key=2;
break;
case 0x07:
key=3;
break;
}
temp=P3;
P1_0=~P1_0;
P0=table[key];
STH0=tab[key]/256;
STL0=tab[key]%256;
TR0=1;
temp=temp & 0x0f;
while(temp!=0x0f)
{
temp=P3;
temp=temp & 0x0f;
}
TR0=0;
}
}
P3=0xff;
P3_5=0;
temp=P3;
temp=temp & 0x0f;
if (temp!=0x0f)
{
for(i=50;i>0;i--)
for(j=200;j>0;j--);
temp=P3;
temp=temp & 0x0f;
if (temp!=0x0f)
{
temp=P3;
temp=temp & 0x0f;
switch(temp)
{
case 0x0e:
key=4;
break;
case 0x0d:
key=5;
break;
case 0x0b:
key=6;
break;
case 0x07:
key=7;
break;
}
temp=P3;
P1_0=~P1_0;
P0=table[key];
STH0=tab[key]/256;
STL0=tab[key]%256;
TR0=1;
temp=temp & 0x0f;
while(temp!=0x0f)
{
temp=P3;
temp=temp & 0x0f;
}
TR0=0;
}
}
P3=0xff;
P3_6=0;
temp=P3;
temp=temp & 0x0f;
if (temp!=0x0f)
{
for(i=50;i>0;i--)
for(j=200;j>0;j--);
temp=P3;
temp=temp & 0x0f;
if (temp!=0x0f)
{
temp=P3;
temp=temp & 0x0f;
switch(temp)
{
case 0x0e:
key=8;
break;
case 0x0d:
key=9;
break;
case 0x0b:
key=10;
break;
case 0x07:
key=11;
break;
}
temp=P3;
P1_0=~P1_0;
P0=table[key];
STH0=tab[key]/256;
STL0=tab[key]%256;
TR0=1;
temp=temp & 0x0f;
while(temp!=0x0f)
{
temp=P3;
temp=temp & 0x0f;
}
TR0=0;
}
}
P3=0xff;
P3_7=0;
temp=P3;
temp=temp & 0x0f;
if (temp!=0x0f)
{
for(i=50;i>0;i--)
for(j=200;j>0;j--);
temp=P3;
temp=temp & 0x0f;
if (temp!=0x0f)
{
temp=P3;
temp=temp & 0x0f;
switch(temp)
{
case 0x0e:
key=12;
break;
case 0x0d:
key=13;
break;
case 0x0b:
key=14;
break;
case 0x07:
key=15;
break;
}
temp=P3;
P1_0=~P1_0;
P0=table[key];
STH0=tab[key]/256;
STL0=tab[key]%256;
TR0=1;
temp=temp & 0x0f;
while(temp!=0x0f)
{
temp=P3;
temp=temp & 0x0f;
}
TR0=0;
}
}
}
}
void t0(void) interrupt 1 using 0
{
TH0=STH0;
TL0=STL0;
P1_0=~P1_0;
}